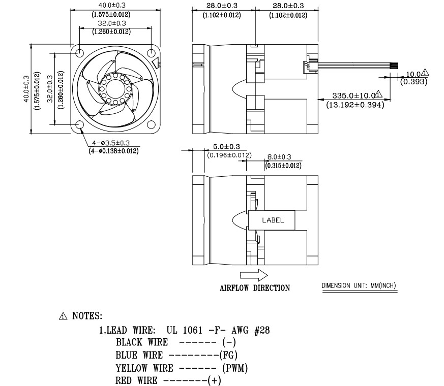
جت فن مدل PFM0412HSA یک جت فن از خانوادهی Delta Electronics است که با طراحی کامپکت و دمندهی محوری با زاویهی خروجی 90 درجه، برای کاربردهایی با محدودیت فضا و نیاز به فشار بالای جریان هوا طراحی شده است. این فن با ابعاد 40×40×56 میلیمتر و ولتاژ کاری 12V DC، دارای موتور براشلس با جریان مصرفی 1.5 آمپر است که توان مصرفی بالایی در حدود 18 وات را فراهم میآورد. نوع طراحی جتفن (blower) باعث میشود تمرکز جریان هوا در یک جهت خاص انجام شود، که این ویژگی بهویژه در خنکسازی نقاط بحرانی مدار یا تجهیزات با چیدمان متراکم بسیار مؤثر است. فن دارای خروجی زاویهدار بهصورت squirrel-cage بوده و برای استفاده در کاربردهای مداوم، نظیر سیستمهای رک، تجهیزات ذخیرهسازی یا بردهای گرافیکی پرقدرت مناسب است.
مشخصات
- ولتاژ کاری: 12V DC
- جریان مصرفی: 1.5A
- توان مصرفی: 18W
- سرعت چرخش: حدود 9000RPM
- نوع فن: جتفن (Blower / Radial Type)
- ابعاد: 40mm × 40mm × 56mm
- جریان هوا: حدود 9.3CFM
- فشار استاتیک: حداکثر تا 30mmH₂O
- نوع موتور: براشلس DC
- بلبرینگ Ball Bearing
- نویز صوتی: حدود 60dB(A)
- نوع اتصال: 4 سیم (شامل PWM، Tach، Vcc و GND)
کاربردهای رایج
این جتفن برای خنکسازی متمرکز در دستگاههایی که محدودیت فضا دارند و به جریان هوا با فشار بالا نیاز دارند طراحی شده است. استفاده از آن در تجهیزاتی با تراکم بالا یا قطعات با دمای بالا نظیر FPGA، GPU، سرورهای 1U و رکهای صنعتی رایج است.
- خنکسازی بردهای الکتریکی
- ماژولهای گرافیکی صنعتی
- تجهیزات ذخیرهسازی با تراکم بالا
- رکهای شبکه 1U و تجهیزات مخابراتی
- تجهیزات پزشکی قابلنصب در رک
- منابع تغذیه با طراحی فشرده
- تابلوهای برق با قطعات گرمازا
- سیستمهای اتوماسیون صنعتی
- تهویه تجهیزات اندازهگیری حرفهای
- تجهیزات رندرینگ و پردازش تصویر

-
رضا مظفر | 1 هفته پیش دقت کنید عزیزان که این فن جریان مصرفیش ۸ دهم آمپر هست و تقریبا نصف مشخصات درج شده توان دارد
اما با توجه به قیمت کار راه انداز هست و میتونید برای پروژه هاتون استفاده کنید
اگر میخواید که بدون درایور راه اندازی کنید سیم قرمز مثبت و سیم مشکی منفی هست،به اون دو سیم دیگر هیچی اتصال ندید
سه ستاره هست دستم خورد روی ۲ -
مهدی وثوقی فر | 1 ماه پیش سلام وقت بخیر
سیم قرمز مثبت و سیم مشکی منفی می باشد
-
مهدی وثوقی فر | 1 ماه پیش سلام
وقت بخیر
این فن 5 سیم دارد من نتونستم روشنش کنم
لطفا راهنمایی کنید.-
پشتیبانی | 1 ماه پیش سلام سیم قرمز مثبت و سیم مشکی منفی می باشد .
-
-
عرشیا نجفی | 2 ماه پیش سلام مناسبه ساخت دمنده میباشد?
-
پشتیبانی | 2 ماه پیش سلام بلی می توانید برای ساخت یک دمنده متوسط استفاده نمایید .
-
-
ابولفضل محسنی | 3 ماه پیش سلام موجود کنیدمشاهده پاسخ ها (1) -
علیرضا اکبری | 8 ماه پیش سلام کی موجود میشه ؟مشاهده پاسخ ها (1) -
کاظم میرزاخانی | 9 ماه پیش با سلام خدمت شما بزرگوار ، روشن کردن این فن چگونه است ؟ چون سیم های داخل دقیقا مشخص نیست. ممنونم اگر توضیح بیشتری دهید.
-
پشتیبانی | 9 ماه پیش سلام
روشن شدن مثل دیگر فن های معمولی 4 سیمه می باشد
-
-
کاظم میرزاخانی | 9 ماه پیش با سلام ، سوکتی که به این جت فن بخوره شما موجود دارید ؟
-
پشتیبانی | 9 ماه پیش سلام متاسفانه فعلا موجود نمی باشد و در دست تامین موجودی می باشد .
-
-
مهدی پورشعبانی | 10 ماه پیش با عرض سلام و خسته نباشید خدمت شما. برای راه اندازی این فن درایور لازم ذاره یا با اتصال جریان لازم با دوسیم شروع بکار میکنه ؟
-
پشتیبانی | 10 ماه پیش سلام درایور الزامی نمی باشد ، با اعلام ولتاژ مناسب هم می توانید راه اندازی نمایید.
-
