نمایشگر GLCD 64x128 گرافیکی بک لایت سبز با درایور KS108 فریم بزرگ
نمایشگر LCD گرافیکی 128x64 پیکسل با بکلایت سبز، ولتاژ کاری 5 ولت و درایور KS0108، مناسب برای پروژههای صنعتی و کنترلی با فریم بزرگ
- دیدگاه کاربران 25 دیدگاه
| تعداد | درصد | قیمت با تخفیف |
|---|---|---|
| 50 | 3% | 659,600 تومان |
نمایشگر گرافیکی مدل LCM12864C-1 با بکلایت سبز و درایور KS0108، یکی از پرکاربردترین ماژولهای LCD در طراحی سیستمهای نمایش داده است. این نمایشگر با رزولوشن 128x64 پیکسل، قابلیت نمایش متون، اشکال گرافیکی، نمودارها و آیکونها را با وضوح بالا فراهم میکند. کنترلر KS0108 یا چیپهای سازگار آن باعث ارتباط آسان با انواع میکروکنترلرها از جمله Arduino، STM32 و AVR میشود. فریم بزرگ و ابعاد استاندارد این نمایشگر امکان استفاده در پروژههایی که به فضای نمایشی بیشتر نیاز دارند را فراهم کرده است. نور پسزمینه LED سبز رنگ، دید بسیار خوبی در محیطهای روشن و تاریک ایجاد میکند. طراحی دقیق، کیفیت بالای ساخت و پشتیبانی از کتابخانههای گرافیکی استاندارد، باعث شده این مدل به یکی از انتخابهای حرفهای در پروژههای صنعتی، ابزارهای اندازهگیری و کنترلپنلها تبدیل شود.
مشخصات
- وضوح نمایشگر: 128x64 پیکسل
- ولتاژ کاری: 5V DC
- کنترلر داخلی: KS0108 یا سازگار با آن
- نوع نمایشگر: LCD گرافیکی STN
- رنگ پسزمینه: سبز
- نوع بکلایت: LED سبز
- جریان مصرفی بکلایت: 150mA
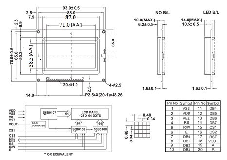
- ابعاد کلی ماژول: 93.0×70.0×14.0mm
- ابعاد ناحیه فعال: 71.0×38.5mm
- اندازه نقطه (Dot Size): 0.50×0.50mm
- فاصله بین نقاط (Dot Pitch): 0.52×0.52mm
- تعداد پایهها: 20 پین
- رابط ارتباطی: موازی 8 بیتی
- دمای کاری: -20 تا +70°C
- مدل: LCM12864C-1
کاربردهای رایج
این نمایشگر به دلیل اندازه بزرگتر، برای نمایش دادههای گرافیکی یا متنی با جزئیات بیشتر در پروژههای صنعتی و آموزشی بسیار مناسب است. وضوح بالا، بکلایت قوی و سازگاری گسترده با میکروکنترلرها، آن را به انتخابی قابلاعتماد در محیطهای مهندسی و کنترلی تبدیل کرده است.
- نمایشگر گرافیکی برای پروژههای Arduino و STM32
- کنترلپنل دستگاههای صنعتی و CNC
- ابزارهای اندازهگیری و مانیتورینگ دادهها
- سیستمهای هوشمندسازی و IoT
- رابط کاربری گرافیکی برای ماشینآلات
- دستگاههای آزمایشگاهی و پزشکی
- نمایشگر وضعیت در رباتها و کنترلرها
- ساعتها و تقویمهای دیجیتال
- سیستمهای آموزشی الکترونیک
- نمایشگر اطلاعات در تابلوهای کنترلی
Introduction
Number of Character : 128x64
Module Size : 93.0(W)x70.0(H)x9.7/14.5(D)mm Max
Dot Size/Dot Pitch : 0.50(W)x0.50(H)mm/0.52(W)x0.52(H)mm
Backlight :GREEN
Built-in Controller KS0108 or compatible


-
بابک سلامی | 2 سال پیش با سلام رابط i2c مخصوص این نمایشگر وجود داره؟ ممنون
-
پشتیبانی | 2 سال پیش سلام فعلا خیر در فروشگاه موجود نمی باشد .
-
-
علیرضا چراغعلی نژاد | 3 سال پیش سلام لطفا این نمایشگر را زود تر موجود کنید
تشکرمشاهده پاسخ ها (1) -
مصطفی | 3 سال پیش سلام
اگه میشه این نمایشگر رو هر چه زودتر موجود کنید
حدالامکان همیشه موجود داشته باشیدمشاهده پاسخ ها (1) -
علیرضا شجاعی | 5 سال پیش پین هدر همراه این محصول هست یا باید جداگانه خریداری کنیم؟-
پشتیبانی | 5 سال پیش پین هدر همراه نمایشگر نبوده و باید به صورت جداگانه خریداری گردد.
-
-
زیست فناوران اندیشه رستاک | 5 سال پیش با سلام و احترام
سازنده این lcd چه شرکتیه؟-
پشتیبانی | 5 سال پیش سلام، اطلاعاتی در مورد شرکت سازنده در دست نیست.
-
-
آیدین محمد اوغلی | 5 سال پیش سلام
توجه داشته باشید این ال سی دی ها دو نوع هستند اینی که اینجا هست من هم خریدم با ۳.۳ ولت برا پایه دیتا و ۵ ولت تغذیه خود ال سی دی کار نمیکنه باید یه مدار تبدیل سطح ولتاژ برا پایه های دیتا گذاشت که ۳.۳ رو به ۵ تبدیل کنه یعنی برا میکرو های آرم چندان مناسب نیست نوع دوم که پشت ال سی دی دو تا ای سی ، اس ام دی ۱۴ پایه داره با ۳.۳ ولت دیتا هم کار میکنه لطفا در خذید توجه داشته باشید این نکات رو -
امین خرمی فر | 6 سال پیش سلام
با آردوینو راه اندازی میشه؟ -
صدرا شاملی | 7 سال پیش سلام. خسته نباشید
برای این lcd تاچ چند اینچ خوبه؟
اگه ممکنه لینک خریدشون رو هم بزارید
با سپاس فراوان-
پشتیبانی | 7 سال پیش سلام، متاسفانه تاچ این نمایشگر را موجود نداریم
-
-
علی باهوش | 7 سال پیش سلام ks108 با ks 0108 تفاوتی داره؟؟-
پشتیبانی | 7 سال پیش سلام، خیر تفاوتی ندارد
-
-
امیر پورکاشفسکی | 8 سال پیش سلام. این ماژول CS1 CS2 هست یا /SC1 /CS2؟ فعال یکن یا فعال صفر؟ با تشکر-
پشتیبانی | 8 سال پیش برای دریافت پاسخ سریع و جامع در مورد سوالات علمی و فنی خواهشمند است به انجمن های تخصصی برق و الکترونیک ECA مراجعه فرمایید. (www.eca.ir/forums)
-
- 1
- 2
- بعدی
