سنسور اندازهگیری دبی آب (Water Flow Sensor) یک حسگر کاربردی و دقیق برای اندازهگیری میزان عبور مایعات، بهخصوص آب، در انواع پروژههای صنعتی، نیمهصنعتی و DIY است. این سنسور با استفاده از مکانیزم Hall Effect و یک توربین داخلی، میزان جریان عبوری را به پالس الکتریکی تبدیل کرده و امکان محاسبه دبی لحظهای و حجم مصرفی را فراهم میکند.
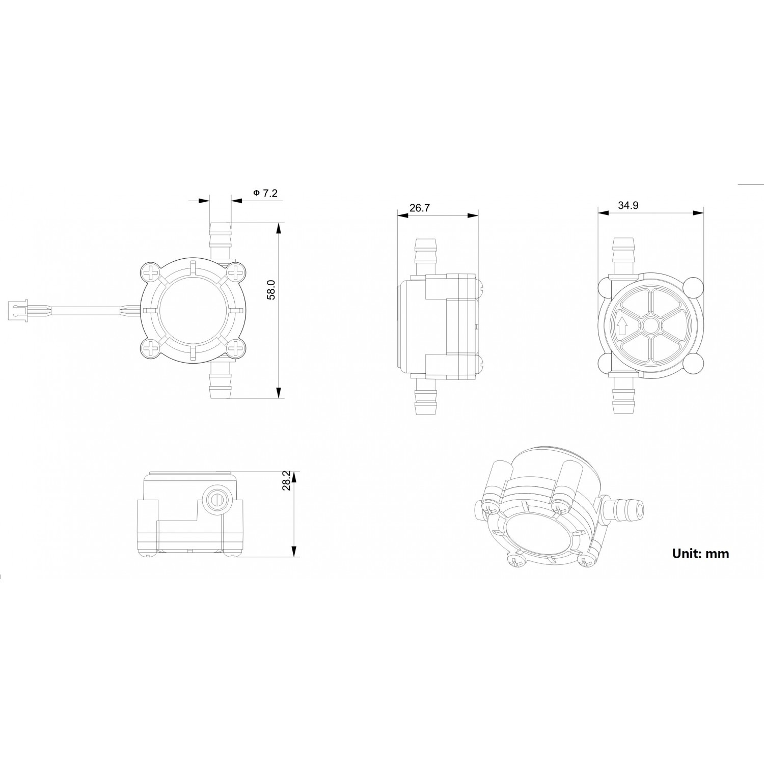
طراحی این مدل بهگونهای است که با داشتن ورودی و خروجی 7 میلیمتری، بهراحتی به شلنگهای 6 میلیمتری متصل میشود و بدون نیاز به اتصالات خاص، در مسیر لوله نصب میگردد. بازه ولتاژ کاری گسترده (5 تا 24 ولت) باعث شده این سنسور با آردوینو، ESP32، PLC و سیستمهای کنترلی مختلف کاملاً سازگار باشد.
مشخصات
- نوع سنسور: اندازهگیری دبی مایع (Hall Effect)
- ولتاژ کاری: 5 تا 24 ولت DC
- فرکانس پالس: 98 هرتز به ازای هر 1 لیتر بر دقیقه
- بازه اندازهگیری: 0.3 تا 6 لیتر بر دقیقه
- دقت اندازهگیری: ±10%
- حداکثر فشار قابل تحمل: 8 بار
- دمای کاری: -25 تا +80 درجه سانتیگراد
- Duty Cycle پالس خروجی: 50% ±10%
- سطح ولتاژ پالس خروجی (با تغذیه 5V): حدود 4.7V
- قطر اتصال: 7mm (مناسب شلنگ 6mm)
- قطر درونی لوله اتصال: 4mm

ویژگیها
- خروجی پالسی دقیق و پایدار
- سازگار با انواع میکروکنترلرها
- نصب آسان بدون نیاز به کالیبراسیون پیچیده
- تحمل فشار بالا تا 8 بار
- مناسب استفاده مداوم در محیطهای صنعتی
- ابعاد کوچک و وزن کم
نحوه کار
این سنسور عموما در محل گذر آب نصب می شود و هنگامی که آب از میان مجموعه روتور جریان می یابد، روتور مغناطیسی می چرخد و سرعت چرخش به صورت خطی با سرعت جریان تغییر می کند. در این میان اثر هال ، سیگنال پالس مربوطه را خروجی می دهد و آن را به کنترل کننده برمی گرداند ( منظور از کنترل کننده : میکرو کنترلر یا امبدد برد تنظیم کننده ). کنترل کننده میزان جریان آب را تعیین می کند و جریان آب متناسب را برای عبور تنظیم می کند تا از آسیب و یا سایر موارد جلوگیری شود.
سیم بندی
قرمز برای مثبت
مشکی برای منفی
زرد برای سیگنال پالس
نکات نصب
1. مطابق با جهت جریان در محصول نصب شود، در غیر این صورت سیگنال خروجی وجود ندارد. (فلش مشخص شده جهت جریان)
2. پیشنهاد می شود یک صفحه فیلتر آب در ورودی سنسور نصب شود تا از ورود ذرات و زباله به سنسور جلوگیری شود.
3. سیم بندی به صورت صحیح متصل گردد

کاربردهای رایج
این سنسور برای کنترل و پایش مصرف مایعات در پروژههای مختلف بسیار کاربردی است و امکان مانیتورینگ دقیق را فراهم میکند.
- اندازهگیری مصرف آب
- دستگاههای تصفیه آب
- سیستمهای خنککننده
- پروژههای آردوینو و ESP
- ماشینآلات صنعتی سبک
- سیستمهای هوشمند مدیریت مصرف
The Water Flow Sensor is a practical and accurate sensor for measuring the flow rate of liquids, especially water, in a variety of industrial, semi-industrial and DIY projects. Using a Hall Effect mechanism and an internal turbine, this sensor converts the flow rate into an electrical pulse and allows the calculation of the instantaneous flow rate and the volume consumed.
This model is designed in such a way that, with a 7 mm inlet and outlet, it is easily connected to 6 mm hoses and can be installed in the pipe without the need for special fittings. The wide operating voltage range (5 to 24 V) makes this sensor fully compatible with Arduino, ESP32, PLC and various control systems.
Specifications
Sensor type: Liquid flow measurement (Hall Effect)
Operating voltage: 5 to 24 V DC
Pulse frequency: 98 Hz per 1 liter/min
Measuring range: 0.3 to 6 liters/min
Measurement accuracy: ±10%
Maximum pressure: 8 bar
Operating temperature: -25 to +80 °C
Output pulse duty cycle: 50% ±10%
Output pulse voltage level (with 5V supply): about 4.7V
Connection diameter: 7mm (suitable for 6mm hose)
Internal diameter of connecting tube: 4mm
